lennox cb29m manual
Used AC Depot Refurbished, Certified Air Handler LENNOX CB29M-31-2P ACC. 16 Pictures about Used AC Depot Refurbished, Certified Air Handler LENNOX CB29M-31-2P ACC : 21 Series Lennox CB29M CB30M IOM, LENNOX ELITE CB30U SERIES INSTALLATION INSTRUCTIONS MANUAL Pdf Download and also I have a Lennox CB30M-41-1P. The furnace would kick on but not fire up.
Used AC Depot Refurbished, Certified Air Handler LENNOX CB29M-31-2P ACC

lennox
Lennox CB26UH | Climate Solutions, Inc. | HVAC Sales & Service

lennox
Used AC Depot Refurbished, Certified Air Handler LENNOX CB29M-41-1P

1p lennox handler air ac 2i
I Have A Lennox CB30M-41-1P. The Furnace Would Kick On But Not Fire Up

lennox 427c
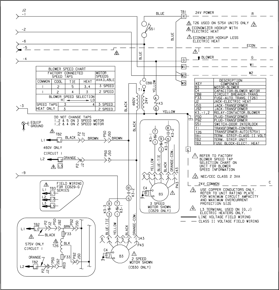
21 Series Lennox CB29M CB30M IOM

Used AC Depot Refurbished, Certified Air Handler LENNOX CB29M-51-3P ACC

lennox
I Have A Lennox CB30M-41-1P. The Furnace Would Kick On But Not Fire Up

Hilton Design & Construction Standards July 2010 | Tile | Lighting
Lennox CBX27UH Manual, Lennox Air Handlers CBX27UH Installation

lennox guidessimo
Lennox; Your #1 Choice For Lennox Repair Parts, Lennox Furnace & Lennox

lennox parts furnace module lennoxpros list
Used AC Depot Refurbished, Certified Air Handler LENNOX CB29M-41-1P
ac handler lennox air 1p
Lennox CBX27UH Manuals

lennox instructions installation manual manuals
21 Series Lennox CB29M CB30M IOM

I Have A Lennox CB30M-41-1P. The Furnace Would Kick On But Not Fire Up

1p 34d7 414d
LENNOX ELITE CB30U SERIES INSTALLATION INSTRUCTIONS MANUAL Pdf Download

manualslib lennox
LENNOX Heater Kit, 10kW, Circuit Breaker, Fits Brand Lennox, For Use
lennox heater kit 1p mfr breaker 10kw circuit fits brand number use grainger close
I have a lennox cb30m-41-1p. the furnace would kick on but not fire up. Used ac depot refurbished, certified air handler lennox cb29m-31-2p acc. Used ac depot refurbished, certified air handler lennox cb29m-51-3p acc